LEwin乐玩

LEwin乐玩

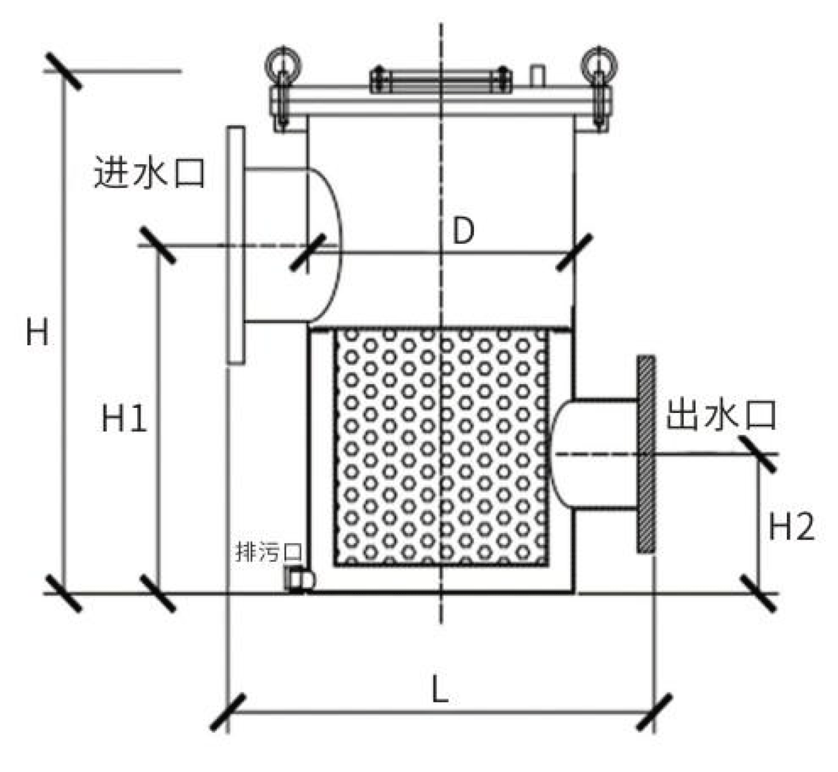
毛发收集器

碳钢内衬胶快开式毛发收集器

产品介绍:

泳池水处理必不可少的预处理装置,以筛网或带有孔眼的滤筒截留水中的较大颗粒的固体杂质通过,避免杂质损伤水泵叶轮,或进入过滤器阻塞滤料层影响过滤效率和出水水质。
分享:

产品详情

产品推荐